Оповещатели речевые пожарные взрывозащищенные СПИКЕР–М (СПИКЕР М)
Оповещатель пожарный речевой взрывозащищенный модели СПИКЕР М соответствуют ТУ 4371-134-12150638-2007 и предназначен для непрерывной круглосуточной работы (трансляция предварительно записанной речевой информации о действиях, направленных на обеспечение безопасности) в системах пожарной сигнализации и пожаротушения при совместной работе с приемно-контрольными устройствами. Оповещатели могут быть применены во взрывоопасных зонах 1 и 2 классов по ГОСТ Р 51330.9-99 и ГОСТ Р 51330.13-99.
Оповещатель пожарный речевой СПИКЕР М запускается при подаче напряжения питания. Выбранное речевое сообщение транслируется непрерывно до отключения питания Оповещателя. Выбор речевого сообщения производится переключателями на плате при монтаже Оповещателя. Регулировка громкости производится при монтаже Оповещателя. Запись речевых сообщений производится на предприятии-изготовителе по заказу потребителя.
Технические характеристики пожарного речевого оповещателя.
Уровень звукового давления на речевом сообщении на расстоянии 1м, дБ, не менее.. 110
Объём речевых сообщений (объём памяти речевого блока), мин, не менее 10
Количество записанных речевых сообщений в память – до 16
Продолжительность непрерывной работы Оповещателя в режиме трансляции речевого сообщения, мин, не более – 60
Потребляемая мощность в режиме трансляции речевых сообщений, Вт, не более – 35
Примечание- Потребляемая мощность речевых оповещателей зависит от положения регулятора громкости и выбранного тона речевого или звукового сигнала.
Напряжение питания :
- модель СПИКЕР М 12 – от 9 до 56 В постоянного тока
- модель СПИКЕР М 220 – от 187 до 243 переменного тока частотой 50Гц
Маркировка взрывозащиты по ГОСТ Р 51330.0-99 – 1ЕхdIIBТ6 Х
Температура эксплуатации в атмосфере типа II по ГОСТ 15150-69, от минус 40 до 55оС
Эффективный рабочий диапазон частот (ограниченный полем допусков +6/-14 дБ от уровня среднего звукового давления в полосе частот 800 …3150Гц),Гц, не уже – от 400 до 3150Гц
Степень защиты от воды и пыли по ГОСТ 14254-96 – IP54
Материал корпуса Оповещателя пожарного речевого – алюминиевый сплав
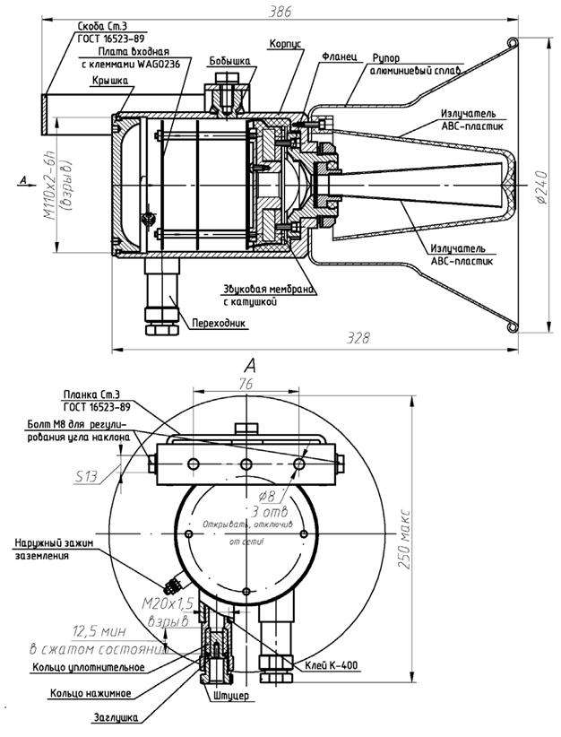
Габаритные размеры,мм, не более – 340 х 205 х 205
Способ крепления на стене – двумя болтами Ø 8мм
Масса, кг, не более – 4,5
Оповещатель пожарный речевой СПИКЕР М поставляется с двумя кабельными вводами различных исполнений: для присоединения бронированного кабеля (Б), для открытой прокладки присоединяемого кабеля (К). В комплект каждого кабельного ввода входят заглушки и резиновые уплотнения для диаметра кабеля по поясной изоляции 8-10, 10-12 и 12-14мм
Речевой оповещатель – обозначение при заказе.
| СПИКЕР М | - | 12 | - | К | - | ТУ 4371-134-12150638-2007 | Текст |
| 1 | 2 | 3 | 4 | 5 |
1 – тип прибора (СПИКЕР М);
2 – напряжение питания:
- 12 (от 9 до 56 В постоянного тока);
- 220 (от 187 до 243 переменного тока частотой 50Гц);
3 – типы кабельных вводов:
- К – для открытой прокладки кабеля диаметром от 8 до 12мм;
- Б – для прокладки бронированного кабеля диаметром от 8 до 12мм.
4 – обозначение технических условий.
5 – текст речевых сообщений, например:
1. Внимание! Пожар! Персоналу срочно покинуть помещение через основной выход.
2. Внимание! Пожар! Персоналу отключить электрооборудование и срочно покинуть помещение через запасной выход.
3. Внимание! Персоналу срочно надеть средства индивидуальной защиты.
4. Внимание! Отбой пожарной опасности.
Рис.1 Положение Оповещателя речевого пожарного СПИКЕР М при эксплуатации
Рис.2 Габаритные размеры Оповещателя речевого пожарного СПИКЕР М
Рис. 3 Схемы электрические подключения речевых пожарных оповещателей: СПИКЕР М 220 с питанием от сети 220В, 50Гц – а, СПИКЕР М 12 с питанием постоянным током – б; ВА – звуковой излучатель; 1 – электрическая схема на печатных платах; ХТ – клеммная колодка; d – взрывонепроницаемая оболочка SA1:SA4 – переключатели для выбора номера речевого сообщения.











